型号说明
GGT系列




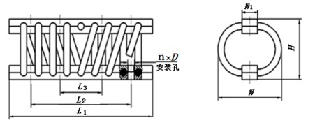
型号结构、安装尺寸

GGT系列

GGT系列

GGTC系列
| 型 号 | L1(mm) | L2(mm) | L3(mm) | W宽度(mm) | W1宽度(mm) | H高度(mm) | 安装接口n×D | 重量(kg) | ||
| GGT0.46-18L
(GGTC1.6-18/27/10L) |
80 | 69±0.3 | – | 27 | 10.2 | 18 | 4×M4 | 0.03 | ||
| GGT0.59-20L
(GGTC1.6-20/28/10L |
28 | 20 | 0.03 | |||||||
| GGT0.64-25L
(GGTC1.6-25/30/10L) |
30 | 25 | 0.032 | |||||||
| GGT0.66-28L
(GGTC1.6-28/33/10L) |
33 | 28 | 0.034 | |||||||
| GGT0.62-30L
(GGTC1.6-30/36/10L) |
36 | 30 | 0.035 | |||||||
| GGT0.58-33L
(GGTC1.6-33/38/10L) |
38 | 33 | 0.036 | |||||||
| GGT0.25-33L
(GGTC1.6-33/38/4L) |
38 | 33 | 0.03 | |||||||
| GGT2.1-23L
(GGTC2.4-23/28/10L) |
112 | 100±0.5 | 28 | 12.7 | 23 | 4×M5 | 0.08 | |||
| GGT2.7-25L
(GGTC2.4-25/30/10L) |
30 | 25 | 0.08 | |||||||
| GGT3.0-28L
(GGTC2.4-28/33/10L) |
33 | 28 | 0.08 | |||||||
| GGT2.8-33L
(GGTC2.4-33/38/10L) |
38 | 33 | 0.09 | |||||||
| GGT2.5-36L
(GGTC2.4-36/41/10L) |
41 | 36 | 0.09 | |||||||
| GGT2.3-38L
(GGTC2.4-38/43/10L) |
43 | 38 | 0.09 | |||||||
| GGT1.0-36 | 84 | 72±0.3 | 41 | 36 | 0.06 | |||||
| GGT2.5-28L
(GGTC3.2-28/36/10L) |
128 | 116 | 36 | 14.2 | 28 |
4×M6 |
0.09 | |||
| GGT3.9-30L
(GGTC3.2-30/38/10L) |
38 | 30 | 0.09 | |||||||
| GGT4.6-33L
(GGTC3.2-33/41/10L) |
41 | 33 | 0.1 | |||||||
| GGT5.3-36L
(GGTC3.2-36/43/10L) |
43 | 36 | 0.12 | |||||||
| GGT4.3-38L
(GGTC3.2-38/46/10L) |
46 | 38 | 0.13 | |||||||
| GGT4.3-41L
(GGTC3.2-34/42/10L) |
48 | 41 | 0.13 | |||||||
| GGT3.5-50L
(GGTC3.2-50/54/10L) |
54 | 50 | 0.15 | |||||||
| GGT3.0-60L
(GGTC3.2-60/68/10L) |
128 | 116 | – | 68 | 60 | 4×M6 | 0.33 | |||
| GGT9.7-34L
(GGTC4.8-34/42/10L) |
128 | 116±0.5 | – | 42 | 34 | 4×M6 | 0.21 | |||
| GGT11-38L
(GGTC4.8-38/43/10L) |
43 | 38 | 0.22 | |||||||
| GGT12-41L
(GGTC4.8-41/46/10L) |
46 | 41 | 0.22 | |||||||
| GGT9.5-45L
(GGTC4.8-45/50/10L) |
50 | 45 | 0.24 | |||||||
| GGT13.0-50L
(GGTC4.8-50/58/10L) |
58 | 50 | 0.25 | |||||||
| GGT14.0-57L
(GGTC4.8-57/63/10L) |
63 | 57 | 0.26 | |||||||
| GGT30-48S | 146 | 102±0.5 | 56 | 16.0 | 48 | 4×M8 | 0.56 | |||
| GGT44-54S | 64 | 54 | 0.6 | |||||||
| GGT53-59S | 71 | 59 | 0.63 | |||||||
| GGT48-64S | 80 | 64 | 0.67 | |||||||
| GGT44-65S | 89 | 65 | 0.68 | |||||||
| GGT42-67S | 95 | 67 | 0.7 | |||||||
| GGT20-67S | 100 | 67 | 0.71 | |||||||
| GGT21-83S | 108 | 83 | 0.72 | |||||||
| GGT51-71S | 178 | 156±0.5 | 66±0.5 | 84 | 25.0 | 71 | 8×M8 | 1.40 | ||
| GGT54-75S | 90 | 75 | 1.41 | |||||||
| GGT55-76S | 105 | 76 | 1.44 | |||||||
| GGT51-83S | 108 | 83 | 1.48 | |||||||
| GGT43-89S | 110 | 89 | 1.53 | |||||||
| GGT39-105S | 121 | 105 | 1.57 | |||||||
| GGT35-110S | 141 | 110 | 1.53 | |||||||
| GGT30-130S | 150 | 130 | 1.57 | |||||||
| GGT72-71S | 216 | 84 | 71 | 1.71 | ||||||
| GGT79-75S | 90 | 75 | 1.75 | |||||||
| GGT86-76S | 105 | 76 | 1.79 | |||||||
| GGT83-83S | 108 | 83 | 1.85 | |||||||
| GGT68-89S | 110 | 89 | 1.91 | |||||||
| GGT65-105S | 121 | 105 | 1.97 | |||||||
| GGT50-110S | 141 | 110 | ||||||||
| GGT40-130S | 150 | 130 | ||||||||
| GGT240-90S | 178 | 105 | 90 | 8×M8 | 2.04 | |||||
| GGT230-95S | 121 | 95 | 2.2 | |||||||
| GGT220-108S | 133 | 108 | 2.35 | |||||||
| GGT220-124S | 144 | 124 | 2.53 | |||||||
| 注:L代表夹板材料为铝;S代表夹板材料为不锈钢。 | ||||||||||
GGT型隔振器性能参数
| 型 号 | 名义负载(kg) | 静平均刚度(N/mm) | 能容(J) | ||||||
| Mx | M45 | Mz | kx | k45 | kz | Ex | E45 | Ez | |
| GGT0.46-18L
(GGTC1.6-18/27/10L) |
1.9 | 3.9 | 58 | 9.0 | 8.0 | 17.0 | 0.27 | 0.60 | 0.46 |
| GGT0.59-20L
(GGTC1.6-20/28/10L) |
1.6 | 2.9 | 4.2 | 4.6 | 6.0 | 12.0 | 0.30 | 0.60 | 0.59 |
| GGT0.64-25L
(GGTC1.6-25/30/10L) |
1.2 | 2.0 | 3.3 | 3.6 | 4.0 | 7.2 | 0.33 | 0.52 | 0.64 |
| GGT0.66-28L
(GGTC1.6-28/33/10L) |
0.9 | 1.5 | 2.5 | 1.8 | 2.8 | 6.0 | 0.30 | 0.48 | 0.66 |
| GGT0.62-30L
(GGTC1.6-30/36/10L) |
0.9 | 1.4 | 2.3 | 1.2 | 2.0 | 4.8 | 0.40 | 0.52 | 0.62 |
| GGT0.58-33L
(GGTC1.6-33/38/10L) |
0.6 | 0.95 | 1.6 | 1.6 | 1.8 | 3.6 | 0.37 | 0.50 | 0.58 |
| GGT0.25-33L
(GGTC1.6-33/38/4L) |
0.3 | 0.4 | 0.7 | 0.6 | 0.7 | 1.3 | 0.20 | 0.17 | 0.25 |
| GGT2.1-23L
(GGTC2.4-23/28/10L) |
11.9 | 13.1 | 20.5 | 53.2 | 28.6 | 59.7 | 1.11 | 5.90 | 2.10 |
| GGT2.7-25L
(GGTC2.4-25/30/10L) |
7.2 | 11.0 | 14.5 | 23.0 | 29.0 | 48.0 | 1.37 | 6.40 | 2.70 |
| GGT3.0-28L(GGTC2.4-28/33/10L) | 4.2 | 7.5 | 11.0 | 13.0 | 16.0 | 37.0 | 7.00 | 3.00 | |
| GGT2.8-33L
(GGTC2.4-33/38/10L) |
2.8 | 5.2 | 7.1 | 9.1 | 9.8 | 18.2 | 7.20 | 2.80 | |
| GGT2.5-36L
(GGTC2.4-36/41/10L) |
2.1 | 3.2 | 5.0 | 5.4 | 8.0 | 16.0 | 1.20 | 7.50 | 2.50 |
| GGT2.3-38L
(GGTC2.4-38/43/10L) |
1.8 | 3.1 | 4.8 | 5.7 | 6.4 | 10.7 | 1.32 | 8.80 | 2.30 |
| GGT1.0-36L | 0.7 | 2.3 | 3.5 | 3.0 | 5.0 | 9.0 | 0.44 | 2.00 | 1.00 |
| GGT2.5-28L
(GGTC3.2-28/36/10L) |
14.2 | 23.0 | 33.0 | 48 | 58 | 105 | 2.41 | 6.80 | 2.50 |
| GGT3.9-30L
(GGTC3.2-30/38/10L) |
8.2 | 16.0 | 23.3 | 31.1 | 45.3 | 77 | 2.52 | 6.70 | 3.90 |
| GGT4.6-33L
(GGTC3.2-33/41/10L) |
6.1 | 11.8 | 17.1 | 19.4 | 28.7 | 52 | 2.71 | 6.60 | 4.60 |
| GGT5.3-36L
(GGTC3.2-36/43/10L) |
4.8 | 9.6 | 14.8 | 14.4 | 25.9 | 43.4 | 2.44 | 6.30 | 5.30 |
| GGT4.3-38L
(GGTC3.2-38/46/10L) |
4.1 | 8.2 | 12.2 | 11.0 | 20.0 | 37.0 | 2.40 | 5.80 | 4.30 |
| GGT4.3-41L
(GGTC3.2-41/48/10L) |
3.1 | 6.5 | 10.0 | 10.2 | 14.3 | 29.1 | 4.60 | ||
| GGT3.5-50L
(GGTC3.2-50/54/10L) |
2.1 | 4.5 | 7.8 | 6.0 | 12.0 | 21.0 | 2.0 | 2.8 | 3.5 |
| GGT3.0-60L
(GGTC3.2-60/68/10L) |
1.0 | 2.5 | 4.0 | 4.0 | 7.8 | 14.0 | 1.6 | 2.3 | 3.0 |
| GGT9.7-34L
(GGTC4.8-34/42/10L) |
28.0 | 60.0 | 77.0 | 97.0 | 183.0 | 286.0 | 3.30 | 15.00 | 9.70 |
| GGT11-38L
(GGTC4.8-38/43/10L) |
21.2 | 42.6 | 70.4 | 85.0 | 145.7 | 237.6 | 3.08 | 16.00 | 11.00 |
| GGT12-41L
(GGTC4.8-41/46/10L) |
18.9 | 36.5 | 53.2 | 69.2 | 99.0 | 163.2 | 2.98 | 15.00 | 12.00 |
| GGT9.5-45L(GGTC4.8-45/50/10L) | 12.4 | 27.6 | 39.8 | 46.0 | 74.7 | 130.2 | 2.47 | 14.00 | 9.50 |
| GGT13.0-50L
(GGTC4.8-50/58/10L) |
7.6 | 18.0 | 27.0 | 25.0 | 65.0 | 80.0 | 5.0 | 9.5 | 13.0 |
| GGT14.0-57L(GGTC4.8-57/63/10L) | 6.0 | 14.0 | 20.0 | 20.0 | 31.0 | 55.0 | 5.8 | 10.2 | 14.0 |
| GGT30-48S | 27.0 | 56.1 | 75.8 | 105.0 | 165.0 | 275.0 | 10.10 | 62.00 | 30.00 |
| GGT44-54S | 17.7 | 34.1 | 56.4 | 50.2 | 86.5 | 154.6 | 11.10 | 64.00 | 44.00 |
| GGT53-59S | 12.3 | 25.2 | 35.9 | 38.7 | 62.7 | 100.7 | 10.90 | 47.00 | 53.00 |
| GGT48-64S | 8.9 | 19.2 | 30.0 | 26.3 | 43.5 | 74.8 | 14.20 | 53.00 | 48.00 |
| GGT44-65S | 7.7 | 14.1 | 22.3 | 23.1 | 34.1 | 56.6 | 15.00 | 48.00 | 44.00 |
| GGT42-67S | 5.4 | 14.0 | 21.5 | 20.0 | 35.0 | 55.0 | 14.00 | 45.00 | 42.00 |
| GGT20-67S | 4.9 | 13.0 | 19.3 | 15.0 | 32.0 | 50.0 | 9.00 | 56.00 | 20.00 |
| GGT21-83S | 3.5 | 9.1 | 13.6 | 6.0 | 22.0 | 32.0 | 3.00 | 24.00 | 21.00 |
| GGT51-71S | 32.3 | 60.2 | 94.0 | 98.0 | 200.0 | 350.0 | 13.00 | 57.00 | 51.00 |
| GGT54-75S | 25.7 | 45.0 | 66.2 | 75.0 | 160.0 | 260.0 | 15.00 | 64.00 | 54.00 |
| GGT55-76S | 19.4 | 36.5 | 53.6 | 52.0 | 120.0 | 170.0 | 17.00 | 90.00 | 55.00 |
| GGT51-83S | 12.8 | 32.5 | 43.3 | 38.0 | 72.0 | 150.0 | 18.00 | 100.00 | 51.00 |
| GGT43-89S | 10.0 | 30.0 | 47.0 | 32.0 | 75.0 | 125.0 | 120.00 | 43.00 | |
| GGT39-105S | 6.5 | 21.0 | 33.0 | 20.0 | 52.0 | 105.0 | 110.00 | 39.00 | |
| GGT35-110S | 5.3 | 16.0 | 30.0 | 26.8 | 47.3 | 98.8 | 15.0 | 88.0 | 35.0 |
| GGT30-130S | 4.8 | 14.0 | 21.5 | 17.0 | 41.0 | 72.0 | 12.0 | 68.0 | 30.0 |
| GGT72-71S | 43.1 | 80.5 | 125.6 | 250.0 | 237.9 | 356.0 | 19.00 | 91.00 | 72.00 |
| GGT79-75S | 34.3 | 60.1 | 88.3 | 111.1 | 158.8 | 254.0 | 23.00 | 100.00 | 79.00 |
| GGT86-76S | 25.9 | 48.7 | 71.5 | 76.3 | 121.2 | 182.0 | 27.00 | 86.00 | |
| GGT83-83S | 17.1 | 43.3 | 57.8 | 49.3 | 104.8 | 153.3 | 30.00 | 150.00 | 83.00 |
| GGT68-89S | 13.0 | 30.0 | 50.0 | 42.0 | 100.0 | 160.0 | 31.00 | 160.00 | 68.00 |
| GGT65-105S | 9.5 | 27.8 | 44.0 | 36.0 | 75.0 | 120.0 | 32.00 | 150.00 | 65.00 |
| GGT50-110S | 8.5 | 21.5 | 40.0 | 32.0 | 58.0 | 88.0 | 25.0 | 112.0 | 50.0 |
| GGT40-130S | 7.2 | 18.7 | 29.3 | 22.0 | 45.0 | 63.0 | 21.0 | 102.0 | 40.0 |
| GGT240-90S | 49.1 | 88.8 | 124.6 | 110.0 | 250.0 | 420.0 | 30.00 | 240.00 | 240.00 |
| GGT230-95S | 34.9 | 71.8 | 105.1 | 77.0 | 155.0 | 320.0 | 31.00 | 250.00 | 230.00 |
| GGT220-108S | 20.3 | 52.5 | 78.7 | 41.0 | 106.0 | 230.0 | 33.00 | 240.00 | 220.00 |
| GGT220-124S | 16.1 | 43.1 | 61.1 | 35.0 | 100.0 | 200.0 | 39.00 | 200.00 | |
| GGT220-137S | 13.2 | 35.2 | 50.2 | 26.0 | 61.0 | 120.0 | 38.00 | 160.00 | |
| GGT130-145S | 9.0 | 32.0 | 44.0 | 12.0 | 45.0 | 78.0 | 28.0 | 90.0 | 130.00 |
| GGT270-90S | 65.5 | 118.4 | 166.1 | 207.6 | 322.2 | 504.5 | 85.00 | 240.00 | 270.00 |
| GGT270-95S | 46.6 | 95.8 | 140.2 | 138.9 | 238.8 | 367.4 | 73.00 | 270.00 | |
| GGT270-108S | 27.1 | 70.0 | 105.0 | 81.9 | 214.0 | 223.8 | 85.00 | 250.00 | |
| GGT280-124S | 21.5 | 57.5 | 81.5 | 45.0 | 150.0 | 210.0 | 94.00 | 230.00 | 280.00 |
| GGT250-137S | 14.6 | 47.0 | 67.0 | 37.0 | 80.0 | 165.0 | 85.00 | 190.00 | 250.00 |
| GGT185-145S | 12.0 | 43.0 | 58.0 | 25.0 | 50.0 | 110.0 | 70.00 | 120.00 | 185.00 |
| GGT440-90S | 206.5 | 387.5 | 581.0 | 687.0 | 963.0 | 1956.0 | 150.00 | 580.00 | 440.00 |
| GGT430-99S | 152.0 | 250.0 | 374.0 | 461.0 | 677.0 | 1068.0 | 172.00 | 510.00 | 430.00 |
| GGT500-109S | 69.0 | 157.0 | 265.0 | 209.0 | 432.0 | 726.0 | 165.00 | 440.00 | 500.00 |
| GGT550-119S | 67.0 | 148.0 | 207.0 | 188.0 | 342.0 | 490.0 | 160.00 | 400.00 | 550.00 |
| GGT480-127S | 48.0 | 115.0 | 166.0 | 135.0 | 225.0 | 420.0 | 145.00 | 350.00 | 480.00 |
| GGT300-135S | 35.0 | 125.0 | 180.0 | 121.0 | 283.0 | 436.0 | 102.0 | 250.0 | 300.0 |
| GGT290-177S | 20.0 | 53.0 | 170.0 | 56.0 | 258.0 | 325.0 | 80.0 | 210.0 | 290.0 |
| GGT920-133S | 305.0 | 595.0 | 1058.0 | 950.0 | 1550.0 | 2748.0 | 460.00 | 1000.00 | 920.00 |
| GGT1000-152S | 166.0 | 468.0 | 650.0 | 437.0 | 1056.0 | 1647.0 | 480.00 | 1200.00 | 1000.00 |
| GGT1200-159S | 160.0 | 351.0 | 529.0 | 467.0 | 800.0 | 1301.0 | 300.00 | 1200.00 | |
| GGT1300-191S | 98.0 | 240.0 | 346.0 | 292.0 | 489.0 | 736.0 | 470.00 | 1600.00 | 1300.00 |
| GGT1100-216S | 51.0 | 218.0 | 305.0 | 130.0 | 490.0 | 1000.0 | 1700.00 | 1100.00 | |
| GGT1200-178S | 320.0 | 515.0 | 625.0 | 850.0 | 1250.0 | 1800.0 | 610.00 | 1900.00 | 1200.00 |
| GGT1600-216S | 205.0 | 320.0 | 455.0 | 750.0 | 960.0 | 1350.0 | 840.00 | 2600.00 | 1600.00 |
| GGT1800-235S | 175.0 | 275.0 | 410.0 | 430.0 | 620.0 | 1200.0 | 915.00 | 3000.00 | 1800.00 |
| GGT1900-178S | 348.0 | 575.0 | 760.0 | 1350.0 | 1650.0 | 2400.0 | 820.00 | 2800.00 | 1900.00 |
| GGT2300-216S | 295.0 | 510.0 | 652.0 | 950.0 | 1300.0 | 1900.0 | 920.00 | 3100.00 | 2300.00 |
| GGT2500-235S | 260.0 | 419.0 | 562.0 | 650.0 | 1000.0 | 1850.0 | 1500.0 | 5000.00 | 2500.00 |
|
注1:Mx、M45、Mz分别为隔振器侧向剪切、45°压缩、垂向(z向)压缩方向上的名义负载。 2:kx、k45、kz分别为隔振器侧向剪切、45°压缩、垂向(z向)压缩方向上的名义静刚度。 3:Ex、E45、Ez分别为隔振器侧向剪切、45°压缩、垂向(z向)压缩方向上的能 4:名义负载为隔振器静变形2mm时的负载。 5:静平均刚度为在名义负载下的刚度。 |
|||||||||

简体中文
English